P-007 – P-056 PICA Stack Piezo Actuators
High Forces, High Displacement, Flexible Production
- Travel ranges to 300 µm
- High load capacity
- Force generation up to 80 kN
- Extreme reliability: >109 cycles
Stacked piezo linear actuator
Operating voltage 0 to 1000 V. Long lifetime without derating. High specific displacement. High forces. Sub-nanometer resolution, µs response. Operating temperature range -20 to 85 °C
Available options
- SGS sensors for positional stability
- PZT ceramic material
- Operating voltage range, displacement, layer thickness
- Load capacity, force generation
- Geometric shapes: round, rectangular
- Mechanical interfaces: flat, spherical, metal, ceramic, glass, sapphire, etc.
- Integrated piezoelectric detector layers
- Special high / low temperature versions, temperature sensor
- Vacuum-compatible and non-magnetic versions
- Extra-tight length tolerances
Fields of application
Industry and research. For high-load positioning, precision mechanics / -machining, switches
Specifications
Datasheet P-007 - P-056
Specifications
Displacement | Diameter OD | Length L | Blocking force | Stiffness | Electrical capacitance | Resonant frequency | |
|---|---|---|---|---|---|---|---|
µm | mm | mm | N | N/µm | nF | kHz | |
P-007.00 | 5 | 7 | 8 | 650 | 130 | 11 | 126 |
P-007.10 | 15 | 7 | 17 | 850 | 59 | 33 | 59 |
P-007.20 | 30 | 7 | 29 | 1000 | 35 | 64 | 36 |
P-007.40 | 60 | 7 | 54 | 1150 | 19 | 130 | 20 |
P-010.00 | 5 | 10 | 8 | 1400 | 270 | 21 | 126 |
P-010.10 | 15 | 10 | 17 | 1800 | 120 | 64 | 59 |
P-010.20 | 30 | 10 | 30 | 2100 | 71 | 130 | 35 |
P-010.40 | 60 | 10 | 56 | 2200 | 38 | 260 | 20 |
P-010.80 | 120 | 10 | 107 | 2400 | 20 | 510 | 10 |
P-016.10 | 15 | 16 | 17 | 4600 | 320 | 180 | 59 |
P-016.20 | 30 | 16 | 29 | 5500 | 190 | 340 | 36 |
P-016.40 | 60 | 16 | 54 | 6000 | 100 | 680 | 20 |
P-016.80 | 120 | 16 | 101 | 6500 | 54 | 1300 | 11 |
P-016.90 | 180 | 16 | 150 | 6500 | 36 | 2000 | 7 |
P-025.10 | 15 | 25 | 18 | 11000 | 740 | 400 | 56 |
P-025.20 | 30 | 25 | 30 | 13000 | 440 | 820 | 35 |
P-025.40 | 60 | 25 | 53 | 15000 | 250 | 1700 | 21 |
P-025.80 | 120 | 25 | 101 | 16000 | 130 | 3400 | 11 |
P-025.90 | 180 | 25 | 149 | 16000 | 89 | 5100 | 7 |
P-025.150 | 250 | 25 | 204 | 16000 | 65 | 7100 | 5 |
P-025.200 | 300 | 25 | 244 | 16000 | 54 | 8500 | 5 |
P-035.10 | 15 | 35 | 20 | 20000 | 1300 | 700 | 51 |
P-035.20 | 30 | 35 | 32 | 24000 | 810 | 1600 | 33 |
P-035.40 | 60 | 35 | 57 | 28000 | 460 | 3300 | 19 |
P-035.80 | 120 | 35 | 104 | 30000 | 250 | 6700 | 11 |
P-035.90 | 180 | 35 | 153 | 31000 | 170 | 10000 | 7 |
P-045.20 | 30 | 45 | 33 | 39000 | 1300 | 2800 | 32 |
P-045.40 | 60 | 45 | 58 | 44000 | 740 | 5700 | 19 |
P-045.80 | 120 | 45 | 105 | 49000 | 410 | 11000 | 10 |
P-045.90 | 180 | 45 | 154 | 50000 | 280 | 17000 | 7 |
P-050.20 | 30 | 50 | 33 | 48000 | 1600 | 3400 | 32 |
P-050.40 | 60 | 50 | 58 | 55000 | 910 | 7000 | 19 |
P-050.80 | 120 | 50 | 105 | 60000 | 500 | 14000 | 10 |
P-050.90 | 180 | 50 | 154 | 61000 | 340 | 22000 | 7 |
P-056.20 | 30 | 56 | 33 | 60000 | 2000 | 4300 | 32 |
P-056.40 | 60 | 56 | 58 | 66000 | 1100 | 8900 | 19 |
P-056.80 | 120 | 56 | 105 | 76000 | 630 | 18000 | 10 |
P-056.90 | 180 | 56 | 154 | 78000 | 430 | 27000 | 7 |
Travel range: at 0 to 1000 V, tolerance -10 / 20 %.
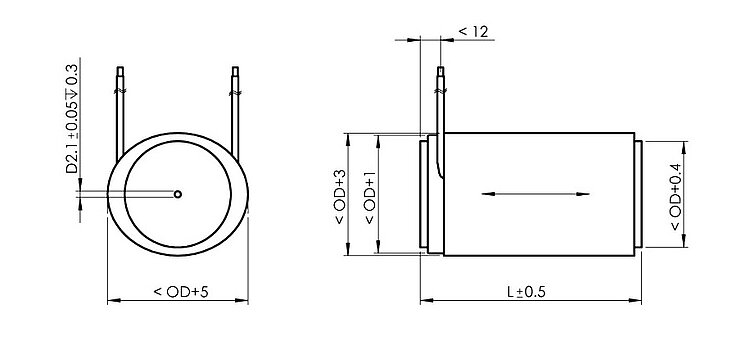
Length L: Tolerance ±0.5 mm.
Blocking force: at 0 to 1000 V.
Electrical capacitance: Tolerance ±20 %, measured at 1 Vₚₚ, 1 kHz, RT.
Resonant frequency at 1 Vₚₚ, unloaded, unclamped. The value is halved for unilateral clamping.
Piezo ceramic type: PIC151.
Standard connections: FEP- insulated wire leads, 100 mm, AWG 24, Ø 1.15 mm.
Operating voltage: 0 to 1000 V.
Operating temperature range: -20 to 85 °C.
Standard mechanical interfaces: steel plates, 0.5 to 2 mm thick (depends on model)
Outer surface: polyolefin shrink sleeving, black.
Recommended preload for dynamic operation: 15 MPa.
Maximum preload for constant force: 30 MPa
Custom designs or different specifications on request.
Downloads
Datasheet
Datasheet P-007 - P-056
Documentation
User Manual PZ138
PICA Piezo Actuators: P-007, P-010, P-016, P-025, P-035, P-045, P-050, P-056 PICA Stack/Power/Thru Customized Products
Short Instructions PZ257EK
PICA Piezo Actuators up to 1000 V: P-0xx, P-1xx, P-405, PICA Stack, PICA Power, PICA Thru, PICA Shear, Picoactuator®
Quote / Order
Ask for a free quote on quantities required, prices, and lead times or describe your desired modification.
Custom designs or different specifications on request.
Comment obtenir une offre de prix
Contactez un ingénieur!
Quickly receive an answer to your question by email or phone from a local PI sales engineer.





















