Hexapod, basic model; 20 kg payload; 20 mm/s maximum velocity; D-sub connector. Connecting cables are not included in the scope of delivery and must be ordered separately.
H-820 Hexapod
Cost-Effective Hexapod
- Travel range ±50 mm / ±50 mm / ±25 mm
- Rotation range ±15° / ±15° / ±30°
- Minimum incremental motion 5 µm / 5 µm / 5 µm
- Payload 20 kg






Standard-class 6-axis positioning system
Parallel-kinematic design for 6 degrees of freedom, making it significantly more compact and stiff than serial-kinematic systems, higher dynamics, no moved cables: higher reliability, reduced friction
BLDC motor
Brushless DC motors are particularly suitable for high rotational speeds. They can be controlled very accurately and ensure high precision. Because they dispense with sliding contacts, they run smoothly, are wear-free and therefore achieve a long lifetime.
Indirect measuring principle
Rotary encoder on motor shaft
PIVirtualMove
The simulation software simulates the limits of the workspace and payload of a hexapod. Therefore, even before purchasing, you can check whether a particular hexapod model can handle the loads, forces, and torques occurring in an application. For this purpose, the simulation tool takes the position and motion of the hexapod as well as the pivot point and several reference coordinate systems into account.
Application fields
Industry and research. For life science, biotechnology, automation, micromachining
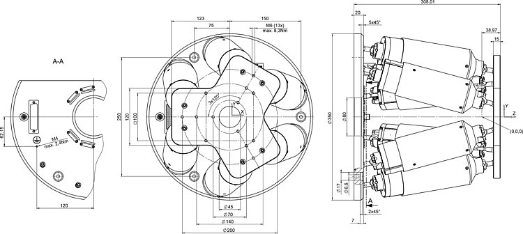
Specifications
Datasheet H-820
Specifications
| Motion | H-820.D2 | Tolerance |
|---|---|---|
| Active axes | X ǀ Y ǀ Z ǀ θX ǀ θY ǀ θZ | |
| Travel range in X | ± 50 mm | |
| Travel range in Y | ± 50 mm | |
| Travel range in Z | ± 25 mm | |
| Rotation range in θX | ± 15 ° | |
| Rotation range in θY | ± 15 ° | |
| Rotation range in θZ | ± 30 ° | |
| Maximum velocity in X | 20 mm/s | |
| Recommended velocity in X | 2 mm/s | |
| Maximum velocity in Y | 20 mm/s | |
| Recommended velocity in Y | 2 mm/s | |
| Maximum velocity in Z | 20 mm/s | |
| Recommended velocity in Z | 2 mm/s | |
| Maximum angular velocity in θX | 200 mrad/s | |
| Recommended angular velocity in θX | 20 mrad/s | |
| Maximum angular velocity in θY | 200 mrad/s | |
| Recommended angular velocity in θY | 20 mrad/s | |
| Maximum angular velocity in θZ | 200 mrad/s | |
| Recommended angular velocity in θZ | 20 mrad/s | |
| Positioning | H-820.D2 | Tolerance |
| Minimum incremental motion in X | 5 µm | typ. |
| Minimum incremental motion in Y | 5 µm | typ. |
| Minimum incremental motion in Z | 5 µm | typ. |
| Minimum incremental motion in θX | 12.5 µrad | typ. |
| Minimum incremental motion in θY | 12.5 µrad | typ. |
| Minimum incremental motion in θZ | 12.5 µrad | typ. |
| Unidirectional repeatability in X | ± 1.5 µm | typ. |
| Unidirectional repeatability in Y | ± 1.5 µm | typ. |
| Unidirectional repeatability in Z | ± 0.5 µm | typ. |
| Unidirectional repeatability in θX | ± 8 µrad | typ. |
| Unidirectional repeatability in θY | ± 8 µrad | typ. |
| Unidirectional repeatability in θZ | ± 25 µrad | typ. |
| Backlash in X | 30 µm | typ. |
| Backlash in Y | 30 µm | typ. |
| Backlash in Z | 3 µm | typ. |
| Backlash in θX | 30 µrad | typ. |
| Backlash in θY | 30 µrad | typ. |
| Backlash in θZ | 300 µrad | typ. |
| Integrated sensor | Incremental rotary encoder | |
| Drive Properties | H-820.D2 | Tolerance |
| Drive type | Brushless DC motor | |
| Nominal voltage | 24 V | |
| Mechanical Properties | H-820.D2 | Tolerance |
| Maximum load capacity, base plate in any orientation | 10 kg | |
| Maximum load capacity, base plate horizontal | 20 kg | |
| Maximum holding force, base plate in any orientation | 5 N | |
| Maximum holding force, base plate horizontal | 200 N | |
| Overall mass | 15 kg | |
| Material | Aluminum | |
| Miscellaneous | H-820.D2 | Tolerance |
| Operating temperature range | 0 to 50 °C | |
| Connector for data transmission | HD D-sub 78 (m) | |
| Connector for supply voltage | M12 4-pole (m) | |
| Recommended controllers/drivers | C-887.5x |
Connecting cables are not included in the scope of delivery and must be ordered separately.
Ask about customized versions.
When measuring position specifications, typical velocity is used. The data is included in the delivery of the product in the form of a measurement report and is stored at PI.
The maximum travel ranges of the individual coordinates (X, Y, Z, θX, θY, θZ) are interdependent. The data for each axis shows its maximum travel range when all other axes are in the zero position of the nominal travel range and the default coordinate system is in use, or rather when the pivot point is set to 0,0,0.
At PI, technical data is specified at 22 ±3 °C. Unless otherwise stated, the values are for unloaded conditions. Some properties are interdependent. The designation "typ." indicates a statistical average for a property; it does not indicate a guaranteed value for every product supplied. During the final inspection of a product, only selected properties are analyzed, not all. Please note that some product characteristics may deteriorate with increasing operating time.
Downloads
Product Note
Product Change Notification Motor Driven Products
Product Change Notification H-206.x1x, H-8xx.x1x, H-8xx.xVx, F-206.S
Datasheet
Datasheet H-820
Documentation
Short Instructions MS247EK
Hexapod Systems: H-xxx Hexapod with C-887.5xx Controller
User Manual MS207
H-820 Hexapod Microrobot
Technical Note H820T0001
Technical note for unpacking the hexapod
3D Models
H-820.D2 3-D model
Software Files
PIVirtualMove
Ask for a free quote on quantities required, prices, and lead times or describe your desired modification.
Comment obtenir une offre de prix
Contactez un ingénieur!
Quickly receive an answer to your question by email or phone from a local PI sales engineer.
Technologie

Un hexapode comme simulateur de mouvement
Les simulateurs de mouvement ont des exigences plus élevées en matière de dynamique de mouvement (shaker).

Positionneurs multiaxes
Les plateformes hexapode sont utilisées pour le positionnement de précision et l'alignement de charges selon six degrés de liberté, trois axes linéaires et trois axes rotatifs.





















