A-60x PIglide RT Rotary Air Bearing Module
Frictionless, Nonmotorized
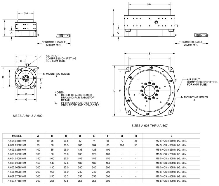
- Motion platform diameter from 50 mm to 300 mm
- Load capacity to 425 kg
- Eccentricity / flatness <200 nm
- Can be mounted vertically or horizontally
Product overview
The PIglide RT series of nonmotorized passive rotary air bearings are designed for accuracy, precision, high stiffness, and ease of use. They can be used in any orientation and are easy to integrate with motors and encoders for complete positioning solutions.
The bearings of the RT series offer superior eccentricity, flatness, and wobble performance. Because they are completely friction-free, they exhibit no breakaway torque and no frictional resistance during operation. They are ideal for use in cleanrooms, require no maintenance or lubrication, and have unlimited lifetime.
Accessories and options
- Encoder for precise acquisition of stage angle during manual operation
- Mounting base for horizontal mounting onto optical table and flat surfaces
- PIglide filter and air preparation kits
- Customized mounting flanges and square housings
Application fields
Optical alignment, metrology, parts inspection, calibration, scanning, torque measurement.
Thanks to the friction-free motion, no particles are formed, which makes PIglide stages ideal for cleanroom applications.
Specifications
Datasheet A-60x
Specifications
Size and loads | Motion platform diameter /mm | Journal length / mm | Load capacity (1) axial / radial /N | Permissible tip/tilt torque (1) / N·m | Stiffness axial / radial / N/µm |
|---|---|---|---|---|---|
A-601.025 | 50 | 25 | 134 / 57 | 0.57 | 26 / 8 |
A-602.038 | 75 | 38 | 299 / 132 | 1.13 | 57 / 22 |
A-603.025 | 100 | 25 | 536 / 115 | 1.70 | 96 / 18 |
A-603.050 | 100 | 50 | 536 / 229 | 4.52 | 96 / 35 |
A-604.050 | 150 | 50 | 1206 / 344 | 22.6 | 210 / 64 |
A-604.090 | 150 | 90 | 1206 / 605 | 36.7 | 210 / 113 |
A-605.065 | 200 | 65 | 2144 / 577 | 39.6 | 385 / 110 |
A-605.100 | 200 | 100 | 2144 / 917 | 67.8 | 385 / 175 |
A-607.075 | 300 | 75 | 4244 / 1203 | 141.3 | 788 / 204 |
A-607.175 | 300 | 175 | 4244 / 2789 | 282.5 | 788 / 475 |
Performance specifications | Eccentricity (2) / nm | Flatness (2) / nm | Wobble (2) / µrad | Max. velocity (3) / rpm | Moment of inertia / kg·mm² | Rotating mass / kg | Overall mass / kg |
|---|---|---|---|---|---|---|---|
A-601.025 | 300 | 100 | 5 | 3000 | 35 | 0.15 | 0.4 |
A-602.038 | 250 | 75 | 4 | 3000 | 231 | 0.4 | 1.2 |
A-603.025 | 175 | 75 | 2.5 | 3000 | 705 | 0.7 | 1.5 |
A-603.050 | 175 | 75 | 2.5 | 3000 | 750 | 0.8 | 2.5 |
A-604.050 | 100 | 50 | 2 | 3000 | 4715 | 2.1 | 5.4 |
A-604.090 | 100 | 50 | 2 | 3000 | 5050 | 2.6 | 8.2 |
A-605.065 | 100 | 50 | 1.5 | 2000 | 17900 | 4.6 | 11.6 |
A-605.100 | 100 | 50 | 1.5 | 2000 | 18800 | 5.3 | 16.3 |
A-607.075 | 75 | 40 | 1 | 1000 | 181900 | 19.4 | 38.1 |
A-607.175 | 75 | 40 | 1 | 1000 | 206700 | 26.0 | 59.0 |
Optional encoders | Sensor signal | Sensor resolution / µrad | Max. velocity / rpm | Reference switch |
|---|---|---|---|---|
A-601.xxxH | A/B quadrature, differential, RS-422, 4 MHz | 192 | 2500 | 1 / revolution, one count over one step of the encoder, synchronized to output signal |
A-602.xxxH | A/B quadrature, differential, RS-422, 4 MHz | 133 | 2000 | 1 / revolution, one count over one step of the encoder, synchronized to output signal |
A-603.xxxH | A/B quadrature, differential, RS-422, 4 MHz | 100 | 1500 | 1 / revolution, one count over one step of the encoder, synchronized to output signal |
A-604xxxH | A/B quadrature, differential, RS-422, 4 MHz | 66.4 | 1000 | 1 / revolution, one count over one step of the encoder, synchronized to output signal |
A-605.xxxH | A/B quadrature, differential, RS-422, 4 MHz | 50 | 800 | 1 / revolution, one count over one step of the encoder, synchronized to output signal |
A-607.xxxH | A/B quadrature, differential, RS-422, 4 MHz | 33.5 | 500 | 1 / revolution, one count over one step of the encoder, synchronized to output signal |
A-601.xxxB | Absolute, BiSS-C 32-bit | 0.0015 | 3500 | – |
A-602.xxxB | Absolute, BiSS-C 32-bit | 0.0015 | 3000 | – |
A-603.xxxB | Absolute, BiSS-C 32-bit | 0.0015 | 2000 | – |
A-604.xxxB | Absolute, BiSS-C 32-bit | 0.0015 | 1500 | – |
A-605.xxxB | Absolute, BiSS-C 32-bit | 0.0015 | 1000 | – |
A-607.xxxB | Absolute, BiSS-C 32-bit | 0.0015 | 500 | – |
Miscellaneous | A-60x |
|---|---|
Operating pressure | 75 to 85 psi (515 to 585 kPa) |
Air consumption | < 2.0 SCFM (57 SLPM) |
Air quality | Clean (filtered to 1.0 μm or better) - ISO 8573‑1 Class 1 Oil free - ISO 8573‑1 Class 1 Dry (-15 °C dew point) - ISO 8573‑1 Class 3 |
Materials (4) | Hardcoat aluminum, stainless steel mounting hardware |
Downloads
Datasheet
Datasheet A-60x
Documentation
User Manual A60XD001
A-60X.XXXX PIglide RT Series of Non-Motorized Rotary Air Bearings
3D Models
A-60x 3-D model
Quote / Order
Ask for a free quote on quantities required, prices, and lead times or describe your desired modification.
Comment obtenir une offre de prix
Contactez un ingénieur!
Quickly receive an answer to your question by email or phone from a local PI sales engineer.





















