Inexpensive PiezoMove linear actuator; PICMA® piezo actuator drive; 120 µm travel range (open loop); bare wire strands; 0.5 m cable length
P-603 Inexpensive PiezoMove Linear Actuator
Friction-Free Guides and Travel Ranges to 0.5 mm
- Flexure guides for linear motion with minimum tip and tilt
- Travel ranges to 500 µm
- Optimized design for manufacturing in large quantities
- Available with integrated position sensors
- Outstanding lifetime due to PICMA® piezo actuators
- Ideal for OEM applications in optics, medical technology, biotechnology, and microfluidics
- Customized versions with longer travel range, shorter response time or nonmagnetic
Application fields
- Nanopositioning
- High-speed switching
- Patch clamp
- Microdispensing
- Adaptive systems technology / automation
- Photonics / integrated optics
- Biotechnology
Outstanding lifetime thanks to PICMA® piezo actuators
The PICMA® piezo actuators are all-ceramic insulated. This protects them against humidity and failure resulting from an increase in leakage current. PICMA® actuators offer an up to ten times longer lifetime than conventional polymer-insulated actuators. 100 billion cycles without a single failure are proven.
High guiding accuracy due to zero-play flexure guides
Flexure guides are free of maintenance, friction, and wear, and do not require lubrication. Their stiffness allows high load capacity and they are insensitive to shock and vibration. They work in a wide temperature range.
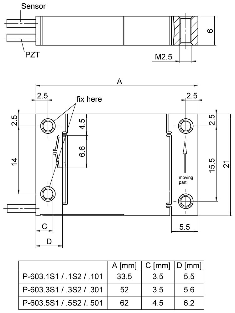
Specifications
Datasheet P-603
Specifications
| Motion | P-603.101 | P-603.1S1 | P-603.1S2 | P-603.301 | P-603.3S1 | P-603.3S2 | P-603.501 | P-603.5S1 | P-603.5S2 | Tolerance |
|---|---|---|---|---|---|---|---|---|---|---|
| Active axes | Z | Z | Z | Z | Z | Z | Z | Z | Z | |
| Travel range in Z, open loop, at -20 to 120 V | 120 µm | 120 µm | 120 µm | 380 µm | 380 µm | 380 µm | 550 µm | 550 µm | 550 µm | +20 / -0 % |
| Travel range in Z | 100 µm | 100 µm | 300 µm | 300 µm | 500 µm | 500 µm | ||||
| Linearity error, closed loop | 0.2 % | 0.2 % | 0.2 % | 0.2 % | 0.2 % | 0.2 % | typ. | |||
| Positioning | P-603.101 | P-603.1S1 | P-603.1S2 | P-603.301 | P-603.3S1 | P-603.3S2 | P-603.501 | P-603.5S1 | P-603.5S2 | Tolerance |
| Resolution in Z, open loop | 2 nm | 2 nm | 2 nm | 3 nm | 3 nm | 3 nm | 5 nm | 5 nm | 5 nm | typ. |
| Unidirectional repeatability in Z | ± 7 nm | ± 7 nm | ± 10 nm | ± 10 nm | ± 20 nm | ± 20 nm | typ. | |||
| Integrated sensor | SGS, indirect position measuring | SGS, indirect position measuring | SGS, indirect position measuring | SGS, indirect position measuring | SGS, indirect position measuring | SGS, indirect position measuring | ||||
| System resolution in Z | 10 nm | 10 nm | 20 nm | 20 nm | 25 nm | 25 nm | ||||
| Drive Properties | P-603.101 | P-603.1S1 | P-603.1S2 | P-603.301 | P-603.3S1 | P-603.3S2 | P-603.501 | P-603.5S1 | P-603.5S2 | Tolerance |
| Drive type | PICMA® | PICMA® | PICMA® | PICMA® | PICMA® | PICMA® | PICMA® | PICMA® | PICMA® | |
| Electrical capacitance in X | 1.5 µF | 1.5 µF | 1.5 µF | 3.1 µF | 3.1 µF | 3.1 µF | 3.7 µF | 3.7 µF | 3.7 µF | ±20 % |
| Mechanical Properties | P-603.101 | P-603.1S1 | P-603.1S2 | P-603.301 | P-603.3S1 | P-603.3S2 | P-603.501 | P-603.5S1 | P-603.5S2 | Tolerance |
| Stiffness in Z | 0.3 N/µm | 0.3 N/µm | 0.3 N/µm | 0.14 N/µm | 0.14 N/µm | 0.14 N/µm | 0.06 N/µm | 0.06 N/µm | 0.06 N/µm | ±20 % |
| Resonant frequency in Z, unloaded | 900 Hz | 900 Hz | 900 Hz | 410 Hz | 410 Hz | 410 Hz | 300 Hz | 300 Hz | 300 Hz | ±20 % |
| Resonant frequency in Z, under load with 180 g | 160 Hz | 160 Hz | 160 Hz | 110 Hz | 110 Hz | 110 Hz | 80 Hz | 80 Hz | 80 Hz | ±20 % |
| Permissible push force in Z | 40 N | 40 N | 40 N | 35 N | 35 N | 35 N | 30 N | 30 N | 30 N | max. |
| Permissible pull force in Z | 20 N | 20 N | 20 N | 13 N | 13 N | 13 N | 10 N | 10 N | 10 N | max. |
| Guide | Flexure guide with lever amplification | Flexure guide with lever amplification | Flexure guide with lever amplification | Flexure guide with lever amplification | Flexure guide with lever amplification | Flexure guide with lever amplification | Flexure guide with lever amplification | Flexure guide with lever amplification | Flexure guide with lever amplification | |
| Overall mass | 30 g | 30 g | 40 g | 40 g | 40 g | 50 g | 50 g | 50 g | 60 g | ±5 % |
| Material | Stainless steel | Stainless steel | Stainless steel | Stainless steel | Stainless steel | Stainless steel | Stainless steel | Stainless steel | Stainless steel | |
| Miscellaneous | P-603.101 | P-603.1S1 | P-603.1S2 | P-603.301 | P-603.3S1 | P-603.3S2 | P-603.501 | P-603.5S1 | P-603.5S2 | Tolerance |
| Operating temperature range | -20 to 80 °C | -20 to 80 °C | -20 to 80 °C | -20 to 80 °C | -20 to 80 °C | -20 to 80 °C | -20 to 80 °C | -20 to 80 °C | -20 to 80 °C | |
| Connector | Bare wire strands | Bare wire strands | LEMO FFA.00.250.CTAC15 | Bare wire strands | Bare wire strands | LEMO FFA.00.250.CTAC15 | Bare wire strands | Bare wire strands | LEMO FFA.00.250.CTAC15 | |
| Cable length | 0.5 m | 0.5 m | 0.5 m | 0.5 m | 0.5 m | 0.5 m | 0.5 m | 0.5 m | 0.5 m | |
| Recommended controllers / drivers | E-610.00 amplifier, E-831 OEM amplifier module | E-610.S0 controller, E-625 | E-610.S0 controller, E-625 | E-610.00 amplifier, E-831 OEM amplifier module | E-610.S0 controller, E-625 | E-610.S0 controller, E-625 | E-610.00 amplifier, E-831 OEM amplifier module | E-610.S0 controller, E-625 | E-610.S0 controller, E-625 | |
| Sensor connector | Bare stranded wires | LEMO FFA.0S.304.CLAC32 | Bare stranded wires | LEMO FFA.0S.304.CLAC32 | Bare stranded wires | LEMO FFA.0S.304.CLAC32 |
System resolution in Z: With 180 g load.
Resolution in Z, open loop: With 180 g load.
Unidirectional repeatability in Z: 10 %, 1 Sigma.
The resolution of the system is only limited by the noise of the amplifier and measuring technology because PI piezo actuators are free of friction.
Downloads
Product Note
Product Change Notification Piezo Actuator Driven Products
Datasheet
Datasheet P-603
Documentation
Short Instructions PZ302
PiezoMove® Linear Actuators: P-60x
User Manual P603T0001
P-603 PiezoMove OEM Flexure-Guided, Lever-Amplified Actuators
3D Models
P-603 3-D model
Quote / Order
Ask for a free quote on quantities required, prices, and lead times or describe your desired modification.
Inexpensive PiezoMove linear actuator; PICMA® piezo actuator drive; 100 µm travel range; SGS, indirect position measuring; bare wire strands; 0.5 m cable length
Inexpensive PiezoMove linear actuator; PICMA® piezo actuator drive; 100 µm travel range; SGS, indirect position measuring; LEMO connectors; 0.5 m cable length
Inexpensive PiezoMove linear actuator; PICMA® piezo actuator drive; 380 µm travel range (open loop); bare wire strands; 0.5 m cable length
Inexpensive PiezoMove linear actuator; PICMA® piezo actuator drive; 300 µm travel range; SGS, indirect position measuring; bare wire strands; 0.5 m cable length
Inexpensive PiezoMove linear actuator; PICMA® piezo actuator drive; 300 µm travel range; SGS, indirect position measuring; LEMO connectors; 0.5 m cable length
Inexpensive PiezoMove linear actuator; PICMA® piezo actuator drive; 550 µm travel range (open loop); bare wire strands; 0.5 m cable length
Inexpensive PiezoMove linear actuator; PICMA® piezo actuator drive; 500 µm travel range; SGS, indirect position measuring; bare wire strands; 0.5 m cable length
Inexpensive PiezoMove linear actuator; PICMA® piezo actuator drive; 500 µm travel range; SGS, indirect position measuring; LEMO connectors; 0.5 m cable length
Comment obtenir une offre de prix
Contactez un ingénieur!
Quickly receive an answer to your question by email or phone from a local PI sales engineer.
Technologie

Technologie PICMA®
Fiabilité et durée de vie étendues grâce au procédé de fabrication breveté pour les actionneurs multicouches.

Systèmes à structure déformable
Flexure guides from PI have proven their worth in nanopositioning. They guide the piezo actuator and ensure a straight motion without tilting or lateral offset.
















