High-resolution linear actuator with DC motor; DC gear motor; 17 mm travel range; 40 N feed force; 1.5 mm/s maximum velocity; trapezoidal-threaded spindle; incremental rotary encoder, 2048 counts/rev. sensor resolution; limit switches: Hall effect; 0.5 m cable length
M-232 High-Resolution Linear Actuator with DC Motor
Compact due to Folded Drive
- Travel range 17 mm
- Minimum incremental motion 0.1 µm
- Velocity up to 1.5 mm/s
- Closed-loop DC motor
- MTBF >5000 h
Compact precision-class linear drive
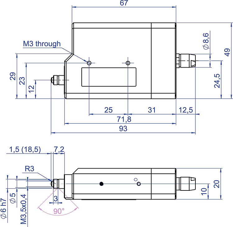
High-resolution linear actuator, DC motor. Compact design due to folded drive. Rotating tip, rotating pusher. Position-controlled DC motors with a gearhead and high-resolution rotary encoders allow for incremental motion and repeatability of just 100 nm
Fits on the M-105 microtranslation stage.
High-quality components
Extremely low-friction and backlash-free construction. Noncontact limit switches protect the mechanics. Position-controlled variants with differential encoder driver in the connector for safe signal transfer over distances up to 10 m
Application fields
Precision alignment, motorized alternative for micrometer screws.
Specifications
This content is only available on tablets or desktop devices.Specifications
| Motion | M-232.17 | Tolerance |
|---|---|---|
| Active axes | X | |
| Travel range in X | 17 mm | |
| Maximum velocity in X, unloaded | 1.5 mm/s | |
| Positioning | M-232.17 | Tolerance |
| Minimum incremental motion in X | 0.1 µm | typ. |
| Unidirectional repeatability in X | ± 0.2 µm | typ. |
| Backlash in X | 2 µm | typ. |
| Reference switch | Encoder index | |
| Limit switches | Hall effect | |
| Integrated sensor | Incremental rotary encoder | |
| Sensor resolution | 2048 Cts./rev. | |
| Drive Properties | M-232.17 | Tolerance |
| Drive type | DC gear motor | |
| Operating voltage | 0 to ±12 V | |
| Drive force in X | 40 N | typ. |
| Mechanical Properties | M-232.17 | Tolerance |
| Drive screw type | Trapezoidal drive screw | |
| Drive screw pitch | 0.4 mm | |
| Gear ratio i | 28,44444 : 1 | |
| Overall mass | 170 g | |
| Material | Aluminum anodized, chrome steel | |
| Miscellaneous | M-232.17 | Tolerance |
| Operating temperature range | -20 to 65 °C | |
| Connector | D-sub 15-pin (m) | |
| Cable length | 0.5 m | |
| Recommended controllers / drivers | C-863.12 C-885 with C-863.20C885 C-884 |
Downloads
Documentation
Short Instructions MP122EK
Linear Actuators: M-168 / M-22x / M-23x
User Manual MP105
M-232 Compact High-Resolution Linear Actuator
3D Models
M-232 3-D model
Quote / Order
Ask for a free quote on quantities required, prices, and lead times or describe your desired modification.
Comment obtenir une offre de prix
Contactez un ingénieur!
Quickly receive an answer to your question by email or phone from a local PI sales engineer.













