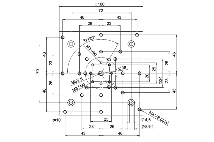
M-403.AP1 Adapter Plate

For Horizontal Mount of Stages with PI Standard Hole Pattern

  • And vertical mount of rotation stages on M-403/M-404 stages
M-403.AP1 Adapter Plate
Description du produit Téléchargements Devis / Commande

Downloads

Datasheet

Datasheet

Datasheet M-403.AP1

Version / Date
---
pdf - 727 KB
Version / Date
---
pdf - 716 KB

Quote / Order

Ask for a free quote on quantities required, prices, and lead times or describe your desired modification.

Comment obtenir une offre de prix

Cliquez sur DEVIS / COMMANDE
Ajouter une variante produit à votre liste
Remplir le formulaire de demande de devis
Envoyer la demande de prix à PI
Nous vous contacterons rapidement

Contactez un ingénieur!

Quickly receive an answer to your question by email or phone from a local PI sales engineer.

Compatible Products