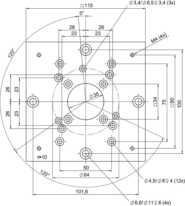
M-061.HP Adapter Plate

For Horizontal Mounting of M-06x Rotation Stages on M-451 and M-5x1

M-061.HP Adapter Plate
Description du produit Téléchargements Devis / Commande

Downloads

Datasheet

Datasheet

Datasheet M-061.HP

Version / Date
2018-07-30
pdf - 583 KB
Version / Date
2018-07-30
pdf - 588 KB
Version / Date
2019-03-29
pdf - 615 KB
Version / Date
2019-03-29
pdf - 578 KB

Quote / Order

Ask for a free quote on quantities required, prices, and lead times or describe your desired modification.

Comment obtenir une offre de prix

Cliquez sur DEVIS / COMMANDE
Ajouter une variante produit à votre liste
Remplir le formulaire de demande de devis
Envoyer la demande de prix à PI
Nous vous contacterons rapidement

Contactez un ingénieur!

Quickly receive an answer to your question by email or phone from a local PI sales engineer.

Compatible Products